杉並区の建設業許可、経審、外国人在留資格専門行政書士
森田晃仁行政書士事務所
TEL 03-6913-6292
業務時間 9:00~17:00
MENU
メニューを飛ばす
ホーム
HOME
サービス
SERVICE
ご相談の進め方
事務所概要
OFFICE
ご挨拶
営業時間
アクセス
お問い合わせ
CONTACT
プライバシーポリシー
ニュース
NEWS
News
HOME
»
News »
企業経営
»
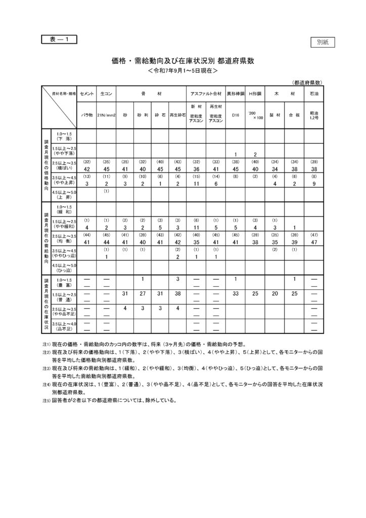
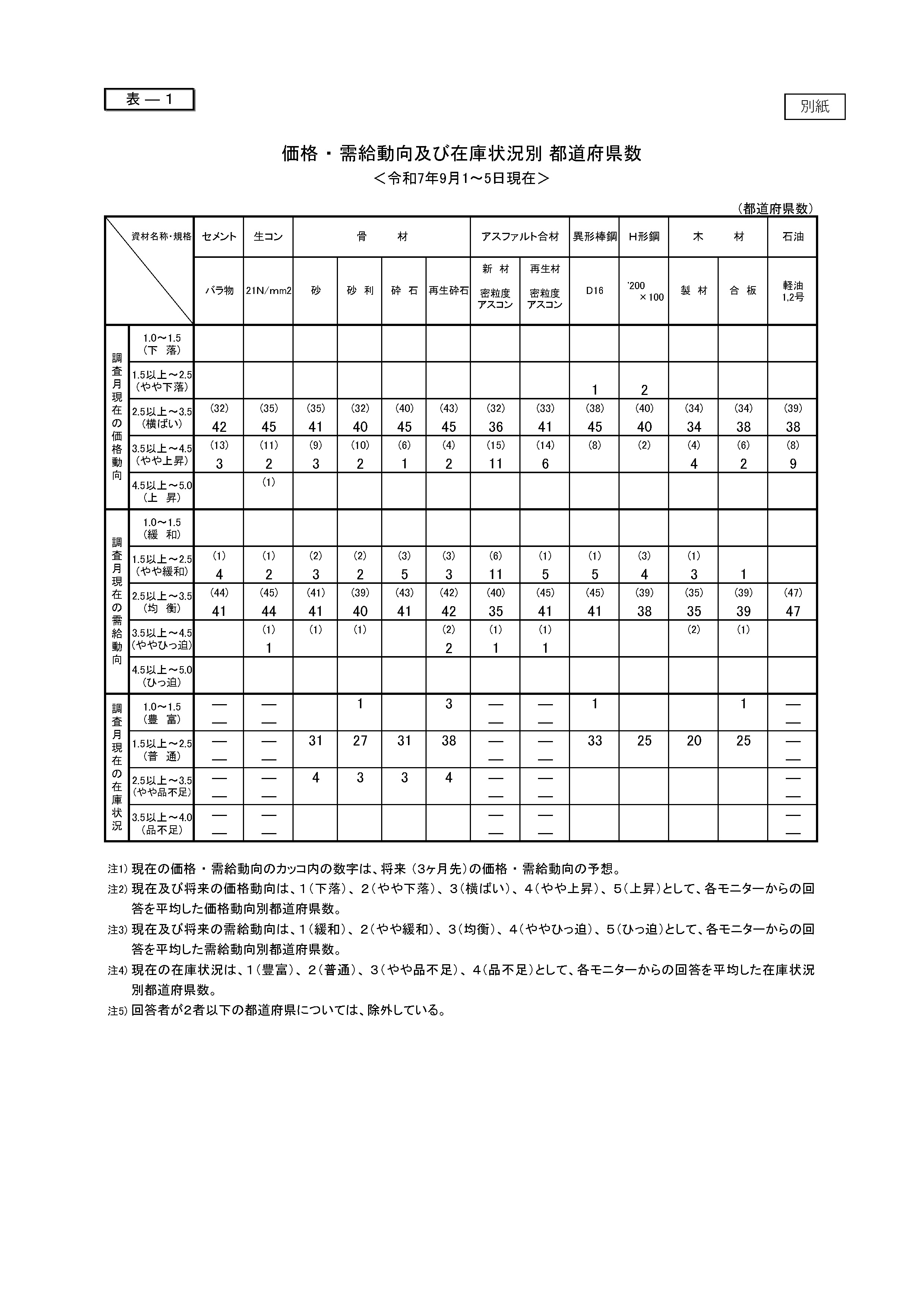
主要建設資材の需給動向(2025年9月)
主要建設資材の需給動向(2025年9月)
投稿日 : 2025年9月29日 | カテゴリー :
企業経営
,
統計
(図をクリックして拡大)
詳細:
9月の主要建設資材の需給動向は全ての調査対象資材において均衡~主要建設資材需給・価格動向調査(令和7年9月1~5日現在)の結果~
←
現代思想(2025年6月号)テラフォーミング
建設労働需給調査結果(2025年8月)
→
カテゴリー
COVID-19
forForeigners
SDGs
お知らせ
ビジネスと人権
レポート
不動産業
中小企業
企業経営
事業承継
報告書
法務
統計
資金調達
個人情報保護
国際政治
在留資格
出入国管理法
在留支援
技能実習制度
特定技能
育成就労
地方自治
広告
建設業
その他(建設業)
働き方
入札
契約管理
安全衛生
建設リサイクル法
建設業政策
建設業法
建設業許可
建設CUS
建設DX
経審
資金管理
適正取引
手続き
新型コロナウイルス感染症
未分類
本
杉並区
杉並区つながり
業務連絡
災害対策
環境
再生可能エネルギー
廃掃法
循環経済
環境法
芸術文化活動
遺言・相続
最近の投稿
「職場における熱中症防止対策のためのガイドライン」案
濱口桂一郎『外国人労働政策』
建設労働需給調査結果(2026年1月)
主要建設資材の需給動向(2026年2月)
建設労働需給調査結果(2025年12月)
検索:
2025年9月
月
火
水
木
金
土
日
« 8月
10月 »
1
2
3
4
5
6
7
8
9
10
11
12
13
14
15
16
17
18
19
20
21
22
23
24
25
26
27
28
29
30